Sign In | Join Free | My portofva.com
China KingPo Technology Development Limited logo
KingPo Technology Development Limited
Verified Supplier

9 Years

Home > Light Testing Equipment >

IEC61347-1-Figure G.2 Circuit For Producing And Applying Long - Duration Pulses

KingPo Technology Development Limited
Trust Seal
Verified Supplier
Credit Check
Supplier Assessment
Contact Now

IEC61347-1-Figure G.2 Circuit For Producing And Applying Long - Duration Pulses

  • 1
  • 2

Brand Name : kingpo

Model Number : KP-9709

Certification : iso9001 ce

Place of Origin : china

MOQ : 1

Price : To be quoted

Payment Terms : T/T

Supply Ability : 50 set/ month

Delivery Time : 30 working days

Packaging Details : safety carton pack or plywood box

Power : 220V 50/60Hz

standard : IEC 61347-1

PSU1 voltage : 10~500V

PSU1 current : max 3A

Contact Now

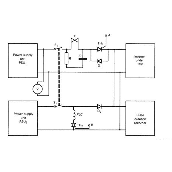
IEC61347-1-Figure G.2 – Suitable circuit for producing and applying long-duration pulses

Technical parameters:

1. Test times: 1 ~ 9999 times
2. Pulse width: 0.01 ~ 9.99 seconds
Interval: 1 ~ 99 seconds
3. PSU1 pulse voltage peak adjustable range: 10 ~ 500V
The maximum output current of PSU1 pulse power supply is 3A, and the load load adjustment rate shall not exceed 2%
4, R: 100 Ω, C:0.1 uF
5. The power supply of PSU2 product is additionally configured by the user, and the user inputs it at the terminal of the back panel of the instrument
6. Output pulse is controlled by high voltage and fast power device, and the starting time is about 1uS
High backpressure fast reverse bypass diode, recovery time does not exceed 500nS
7. Pulse observation: test the external oscilloscope by the user
8. Power supply: AC 220V/50Hz;
9. Working environment: temperature: 0 ~ 40℃; Relative humidity ≤90% and no condensation
10. Equipment size: w600mm * d600mm * h500mm, weight about 60kg

IEC61347-1-Figure G.2 Circuit For Producing And Applying Long - Duration Pulses

Components
PSU 1 power supply unit, capable of supplying maximum pulse voltage required (maximum of voltage range + X design voltage) with pulse current demanded by invertor at this voltage with 2 % regulation (no load to full load).
PSU 2 power supply unit adjusted to maximum of input voltage range.
NOTE 1 Preferably both PSUs should be fitted with current limits to prevent damage in the event of the invertor under test breaking down.
TH 1 main switching thyristor used to apply voltage pulse to the invertor. Many common thyristors should be suitable for this job. They shall have a turn-on time of about 1 ms and adequate pulse current capability.
TH 2 thyristor controlling the action of the relay RLC.
D 1 reverse current by-pass diode for TH 1 . Allows initial oscillatory transients to operate. Shall be fast type (200 ns to 500 ns) with voltage rating equal to twice the maximum pulse voltage.
D 2 blocking diode for PSU 2 . Prevents output impedance of PSU 2 , loading voltage pulse source (PSU 1 ). Shall be fast type (approximately 1 ms turn off) with voltage rating equal to twice the maximum pulse voltage.
RLC pulse termination relay with contacts K.
R and C spark suppression components.
Suggested values are 1 00 W and 0,1 mF (for 26 V invertors).
S 1 switch used as ON/OFF or reset control.
NOTE 2 The delay system for securing the correct duration of the pulse is not represented on the figure. It shall ensure the triggering of thyristor TH 2 500 ms after the action of TH 1 , account being taken of the operating time of the relay.

IEC61347-1-Figure G.2 Circuit For Producing And Applying Long - Duration Pulses


Product Tags:

led testing equipment

      

led lamp testing equipment

      
China IEC61347-1-Figure G.2 Circuit For Producing And Applying Long - Duration Pulses wholesale

IEC61347-1-Figure G.2 Circuit For Producing And Applying Long - Duration Pulses Images

Inquiry Cart 0
Send your message to this supplier
 
*From:
*To: KingPo Technology Development Limited
*Subject:
*Message:
Characters Remaining: (0/3000)